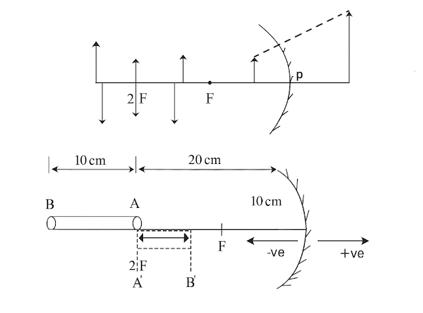
4. A rod of length 10 cm lies along the principal axis of a concave mirror of focal length 10 cm in such a way that its end closer to the pole is 20 cm away from the mirror. The length of the image is ?
(a) 10 cm
(b) 15 cm
(c) 2.5 cm
(d) 5 cm
Answer : (d) 5 cm
\( \frac{1}{u} + \frac{1}{v} = \frac{1}{f} \)
\( \frac{1}{-30} + \frac{1}{v} = \frac{1}{-10} \)
\( \frac{1}{v} = \frac{1}{30} - \frac{1}{10} \)
\( \frac{1}{v} = \frac{1 - 3}{30} = \frac{-2}{30} = \frac{-1}{15} \)
\( v = -15 \, \text{cm} \)

No comments:
Post a Comment
Please provide your valuable feedback. Students, Parents, Teachers.